SPEEDMATEWIN
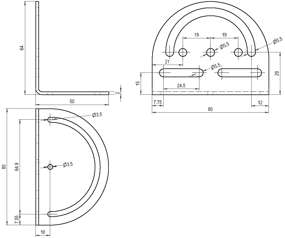
Mounting angle SPEEDMATEWIN
suitable for speedMATE® - Non-Contact optical speed measurement.

Illustration similar
Numero(i) d’ordine
SPEEDMATEWIN
Mounting angle for speedMATE
Visualizzatore STEP / File STEP:
Il file STEP desiderato non è presente nell’elenco:
Richiesta file STEP qui
For further information please contact our local distributor.
Here you find a list of our distributors worldwide
Here you find a list of our distributors worldwide
Si desidera ottenere un'offerta o vuole un richiamo. Richiesta









