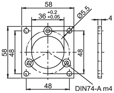
QF58B
Flangia quadrata QF58B
adatto per encoder incrementale WDGI 58B, 58K, 58D, 58N, WDG 58T e
encoder assoluto WDGA 58B, WDGA 58D.

Illustration similar
Materiale
Alluminio, anodizzato nero
Numero(i) d’ordine
QF58B
Flangia quadrata
Il file STEP desiderato non è presente nell’elenco:
Richiesta file STEP qui
For further information please contact our local distributor.
Here you find a list of our distributors worldwide
Here you find a list of our distributors worldwide
Si desidera ottenere un'offerta o vuole un richiamo. Richiesta









